真空电机特种高低温耐辐照环境可用步进电机大扭矩
真空电机特种高低温耐辐照环境可用步进电机大扭矩
产品价格:¥999.00(人民币)
  • 规格:完善
  • 发货地:北京北京
  • 品牌:
  • 最小起订量:1
  • 免费会员
    会员级别:试用会员
    认证类型:企业认证
    企业证件:通过认证

    商铺名称:北京星微自动化科技有限公司

    联系人:樊振华(先生)

    联系手机:

    固定电话:

    企业邮箱:18201099680@163.com

    联系地址:北京通州东果园18号楼

    邮编:101100

    联系我时,请说是在快能纺机网上看到的,谢谢!

    商品详情
      产品参数
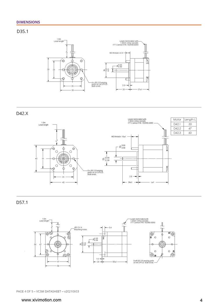
      品牌英国AML
      是否进口
      长度0.3cm
      重量0.33kg
      功率4.5w
      额定电压24v
      极数两相四线
      空载转速600RPM
      额定扭矩12mm
      适用范围真空高低温耐辐照环境
      产地英国AML
      颜色银色
      功能用途可做真空中的传动机构
      是否定制
      订货号313242
      线缆聚酰亚胺线缆
      电机线长1.5m
      工作高温200°
      工作低温-196°
      现货北京发
      可售卖地北京;天津;河北;山西;内蒙古;辽宁;吉林;黑龙江;上海;江苏;浙江;安徽;福建;江西;山东;河南;湖北;湖南;广东;广西;海南;重庆;四川;贵州;云南;西藏;陕西;甘肃;青海;宁夏;新疆
      类型步进电机
      型号D35.1 D42.1 D42.2 D42.3 D57.1













    0571-87774297