商铺名称:深圳市立三机电有限公司
联系人:立(小姐)
联系手机:
固定电话:
企业邮箱:info@leesn.com
联系地址:深圳市宝安区西乡街道航空路西湾智园A2栋501
邮编:518000
联系我时,请说是在快能纺机网上看到的,谢谢!
产品参数 | |||
---|---|---|---|
品牌 | 立三机电 | ||
是否进口 | 否 | ||
适用范围 | 自动化机械行业 | ||
产地 | 深圳 | ||
是否定制 | 是 | ||
交期 | 一周 | ||
起订数量 | 1个 | ||
分贝 | ≤60dB | ||
回程间隙 | <15 arcmin | ||
防护等级 | 54 | ||
额定输入速度 | 1000RPM | ||
最大输入速度 | 2000RPM | ||
径向力 | 400N | ||
可售卖地 | 北京;天津;河北;山西;内蒙古;辽宁;吉林;黑龙江;上海;江苏;浙江;安徽;福建;江西;山东;河南;湖北;湖南;广东;广西;海南;重庆;四川;贵州;云南;西藏;陕西;甘肃;青海;宁夏;新疆 | ||
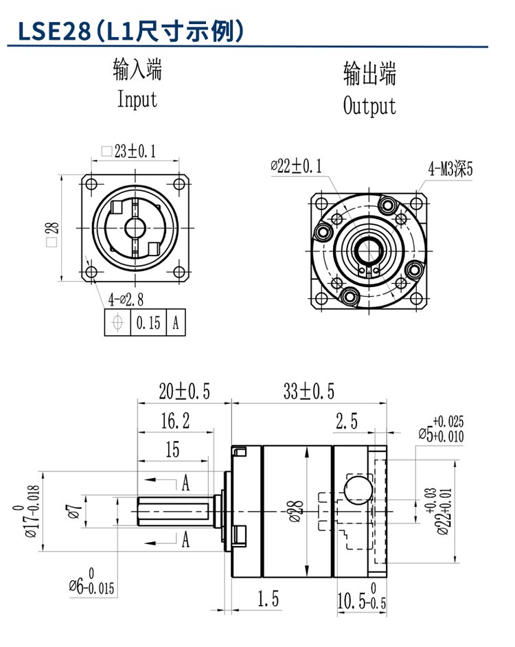
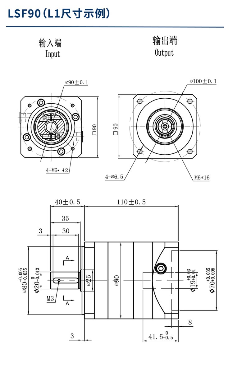
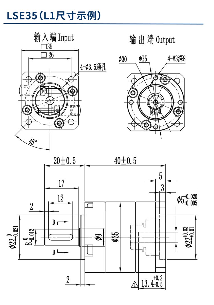
类型 | 行星减速机 | ||
型号 | LSF60 |