商铺名称:北京星微自动化科技有限公司
联系人:樊振华(先生)
联系手机:
固定电话:
企业邮箱:18201099680@163.com
联系地址:北京通州东果园18号楼
邮编:101100
联系我时,请说是在快能纺机网上看到的,谢谢!
产品参数 | |||
---|---|---|---|
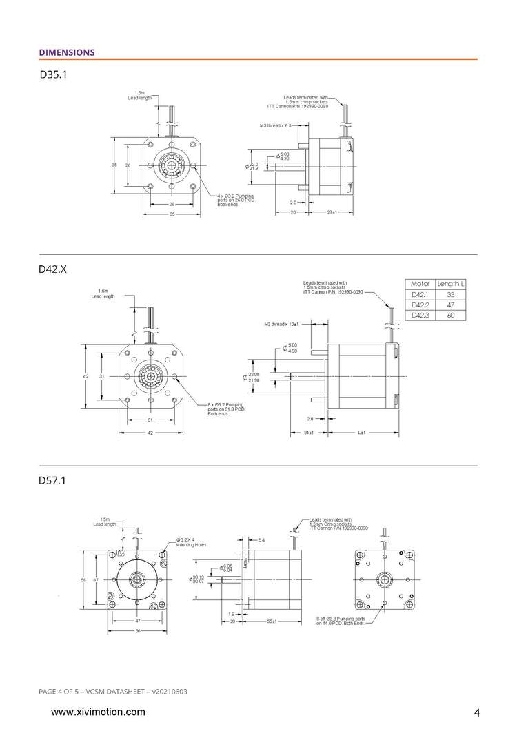
品牌 | AML | ||
规格 | D42.1 | ||
效率 | 99 | ||
极数 | 2 | ||
产品认证 | 防辐射认证 | ||
加工定制 | 是 | ||
配件名称 | 轴承 | ||
适用范围 | 真空高低温辐射环境 | ||
工作电压 | 48V | ||
额定转速 | 1200 | ||
是否进口 | 是 | ||
工作电流 | 1A | ||
应用范围 | 真空高低温辐射环境 | ||
额定电压 | 48V | ||
特色服务 | 支持定制 | ||
额定电流 | 1A | ||
额定转矩 | 1Nm | ||
额定功率 | 12w | ||
温控范围 | -196℃~200℃ | ||
产品类型 | 2相步进电机 | ||
外形尺寸 | 42mm | ||
外型尺寸 | 42 | ||
电动机名称 | 超高真空步进电机 | ||
适用电机功率 | 20W | ||
发货地 | 北京 | ||
可售卖地 | 北京;天津;河北;山西;内蒙古;辽宁;吉林;黑龙江;上海;江苏;浙江;安徽;福建;江西;山东;河南;湖北;湖南;广东;广西;海南;重庆;四川;贵州;云南;西藏;陕西;甘肃;青海;宁夏;新疆 | ||
材质 | 不锈钢 | ||
型号 | D42.1 |