真空防辐射步进电机高低温耐辐射电机星微自动化英国AML
真空防辐射步进电机高低温耐辐射电机星微自动化英国AML
产品价格:¥\u9762\u8bae(人民币)
  • 规格:完善
  • 发货地:北京北京
  • 品牌:
  • 最小起订量:1
  • 免费会员
    会员级别:试用会员
    认证类型:企业认证
    企业证件:通过认证

    商铺名称:北京星微自动化科技有限公司

    联系人:樊振华(先生)

    联系手机:

    固定电话:

    企业邮箱:18201099680@163.com

    联系地址:北京通州东果园18号楼

    邮编:101100

    联系我时,请说是在快能纺机网上看到的,谢谢!

    商品详情
      产品参数
      品牌AML
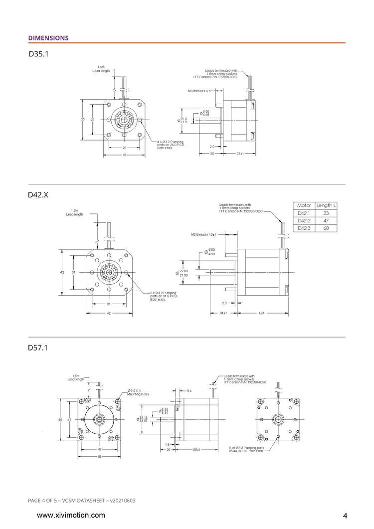
      规格D42.1
      效率99
      极数2
      产品认证防辐射认证
      加工定制
      配件名称轴承
      适用范围真空高低温辐射环境
      工作电压48V
      额定转速1200
      是否进口
      工作电流1A
      应用范围真空高低温辐射环境
      额定电压48V
      特色服务支持定制
      额定电流1A
      额定转矩1Nm
      额定功率12w
      温控范围-196℃~200℃
      产品类型2相步进电机
      外形尺寸42mm
      外型尺寸42
      电动机名称超高真空步进电机
      适用电机功率20W
      发货地北京
      可售卖地北京;天津;河北;山西;内蒙古;辽宁;吉林;黑龙江;上海;江苏;浙江;安徽;福建;江西;山东;河南;湖北;湖南;广东;广西;海南;重庆;四川;贵州;云南;西藏;陕西;甘肃;青海;宁夏;新疆
      材质不锈钢
      型号D42.1










    0571-87774297