IY3-3500CD24011自卸车用液压传动装置
IY3-3500CD24011自卸车用液压传动装置
产品价格:¥255(人民币)
  • 规格:IY4-3500
  • 发货地:宁波
  • 品牌:
  • 最小起订量:1台
  • 免费会员
    会员级别:试用会员
    认证类型:未认证
    企业证件:未通过
    认证信息:未认证

    商铺名称:宁波普雷斯液压机械有限公司

    联系人:方越龙(男)

    联系手机:

    固定电话:

    企业邮箱:1258178962@qq.com

    联系地址:宁波镇海庄市兆龙路101号

    邮编:315201

    联系我时,请说是在快能纺机网上看到的,谢谢!

    商品详情

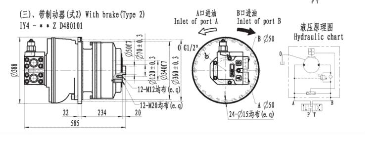
      自卸车用IY4-3500回转减速机 宁波厂家IY4-3500液压传动装置  IY4-3500BD47减速机厂家维修

      IY4-3400,IY4-3500 IY4-4100,IY4-4160,IY4-4800,IY4-5500

      普雷斯公司以二十多年专业制造经验为您提供更值得信赖产品!ISO9001体系认证,质量保证,质保期收到货后一年,无忧售后!产品库存现货,当天即可发货

      IY3-3500CD24011自卸车用液压传动装置






      邦飞利减速机 309L 310L 311L 700 701 702 703 704 705 706 707 708 709 710 713 715 716 718 720
      意大利RR回转减速机总成:RR310MH/RR510MH/RR710MH/RR810MH/RR1010MH/RR1700MH/RR510VI/RR710VI/RR810VI/RR1010VI/RR1700VI/RR810ZI/RR1010ZI/RR1700ZI
      意大利RR齿轮行走减速机总成:RRM200/RRMB200/RRM200D/RRMB200D/RRM500/RRMB500/RRM500/RRMB500D/RRM1000/RRMB1000D.
      意大利RR自由齿轮行走减速器总成:RRWD200/RRWD200B/RRWD270/RRWD270B/RRWD300/RRWD300B/RRWD500D/RRWD600DB/RRWD800DB/RRWD1000DB/RRWD1300DB/RRWD1600DB/RRWD1700TB.

      对液压马达工作介质的要求 
        不同的工作机械、不同的使用情况对液压传动工作介质的要求有很大的不同;为了很好地传递运动和动力,液压传动工作介质应具备如下性能:
      1)合适的粘度,较好的粘温特性。 
      2)润滑性能好。
      3)质地纯净,杂质少。
      4)对金属和密封件有良好的相容性。
      5)对热、氧化、水解和剪切都有良好的稳定性。
      6)抗泡沫好,抗乳化性好,腐蚀性小,防锈性好。
      7)体积膨胀系数小,比热容大。

    0571-87774297