泰拉尔TERAL产业用送风机CMF3-SOB型单吸入单持型带驱动式
泰拉尔TERAL产业用送风机CMF3-SOB型单吸入单持型带驱动式
产品价格:¥7600.00(人民币)
  • 规格:完善
  • 发货地:广东深圳
  • 品牌:
  • 最小起订量:1
  • 免费会员
    会员级别:试用会员
    认证类型:企业认证
    企业证件:通过认证

    商铺名称:深圳市杉本贸易有限公司

    联系人:张进辉(先生)

    联系手机:

    固定电话:

    企业邮箱:2850148599@qq.com

    联系地址:深圳市龙华新区油松村第十工业区民欢路8号航天科工苑1栋4层

    邮编:518000

    联系我时,请说是在快能纺机网上看到的,谢谢!

    商品详情
      产品参数
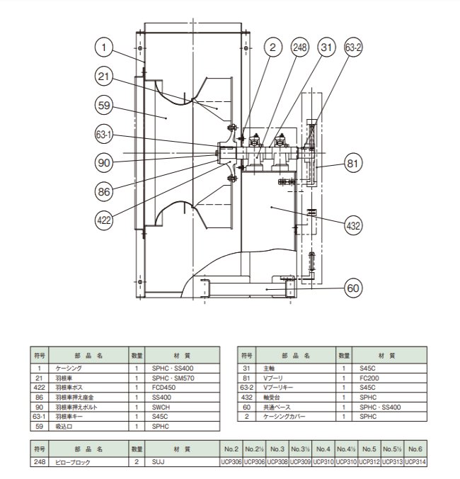
      品牌泰拉尔TERAL
      规格CMF3-SOB
      是否定制
      是否进口
      产地日本
      取扱流体空气
      流体温度0 ~ 90℃
      可售卖地北京;天津;河北;山西;内蒙古;辽宁;吉林;黑龙江;上海;江苏;浙江;安徽;福建;江西;山东;河南;湖北;湖南;广东;广西;海南;重庆;四川;贵州;云南;西藏;陕西;甘肃;青海;宁夏;新疆
      材质SPHC?SS400等
      类型产业用
      型号CMF3-SOB













    0571-87774297