原装耐用正品TCM16X60S亚德客迷你三轴三杆带导杆系列耐用气动工具
原装耐用正品TCM16X60S亚德客迷你三轴三杆带导杆系列耐用气动工具
产品价格:¥155.00(人民币)
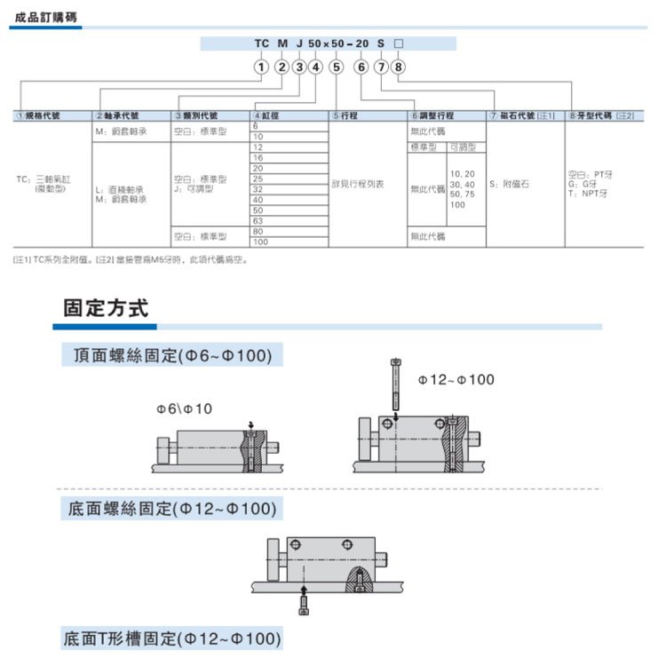
  • 规格:TCM16X60S
  • 发货地:河南郑州
  • 品牌:
  • 最小起订量:1
  • 免费会员
    会员级别:试用会员
    认证类型:企业认证
    企业证件:通过认证

    商铺名称:河南宁之亚自动化科技有限公司

    联系人:刘北荣(先生)

    联系手机:

    固定电话:

    企业邮箱:411487351@qq.com

    联系地址:

    邮编:

    联系我时,请说是在快能纺机网上看到的,谢谢!

    商品详情
      产品参数
      品牌亚德客
      动作方式单作用气缸
      理论作用力0.5N
      最大负荷0.5N
      接管口径101620mm
      缸径101620mm
      温度范围10℃
      适用压力0.1507mpa
      标准行程20mm
      活塞杆螺纹1
      气缸数1
      可售卖地北京;天津;河北;山西;内蒙古;辽宁;吉林;黑龙江;上海;江苏;浙江;安徽;福建;江西;山东;河南;湖北;湖南;广东;广西;海南;重庆;四川;贵州;云南;西藏;陕西;甘肃;青海;宁夏;新疆










    0571-87774297