n型接头RG174N连接器50欧姆母头直式压接RG316
n型接头RG174N连接器50欧姆母头直式压接RG316
产品价格:¥5.43(人民币)
  • 规格:完善
  • 发货地:广东东莞
  • 品牌:
  • 最小起订量:1
  • 免费会员
    会员级别:试用会员
    认证类型:企业认证
    企业证件:通过认证

    商铺名称:东莞市电蜂科技有限公司

    联系人:童经理(小姐)

    联系手机:

    固定电话:

    企业邮箱:

    联系地址:

    邮编:

    联系我时,请说是在快能纺机网上看到的,谢谢!

    商品详情
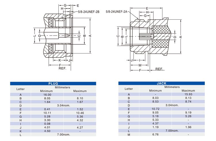
      产品参数
      品牌电蜂优选
      接口类型N接口
      料号EB-006-0397
      数量1000
      批号N/A
      封装N/A
      端接类型焊接式
      安装方式接线
      公母母头
      方向直式
      镀层镀镍
      阻抗50欧姆
      可售卖地北京;天津;河北;山西;内蒙古;辽宁;吉林;黑龙江;上海;江苏;浙江;安徽;福建;江西;山东;河南;湖北;湖南;广东;广西;海南;重庆;四川;贵州;云南;西藏;陕西;甘肃;青海;宁夏;新疆
      材质
      型号n型接头EB-006-0397






    0571-87774297