BYW-Q 1/4圆孔板和BYW-R1/4 圆喷嘴
BYW-Q 1/4圆孔板和BYW-R1/4 圆喷嘴
产品价格:(人民币)
  • 规格:BYW-Q 1/4
  • 发货地:陕西西安市
  • 品牌:
  • 最小起订量:1台
  • 诚信商家
    会员级别:钻石会员
    认证类型:企业认证
    企业证件:通过认证

    商铺名称:西安新敏电子科技有限公司

    联系人:崔经理(先生)

    联系手机:

    固定电话:

    企业邮箱:1172591273@qq.com

    联系地址:陕西 西安 西安市西安市雁塔区电子西街3号

    邮编:710065

    联系我时,请说是在快能纺机网上看到的,谢谢!

    商品详情

       

      适用于颗粒度小,流速低,雷诺数小的流体

       

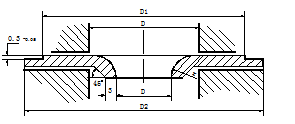
      1. 用途及特点

      1/4圆孔板和1/4圆喷嘴节流装置,主要用于低雷诺数流体介质的流量测量,由于它同时具有孔板和喷嘴的互补性,在低雷诺数区域测量时,性能十分稳定。1/4圆孔板是孔板的入口边缘纵截面是一个圆的1/4。同样,1/4圆喷嘴是1/4圆的半径大于孔板的厚度。

      2. 结构

      2.1 1/4圆孔板节流装置示意图见图1

                1

      2.2 1/4圆喷嘴的两种结构形式:31/2(D-d)        r≥1/2(D-d)        

       

      a .1/4圆喷嘴3 1/2(D-d)                          b .1/4圆喷嘴r1/2(D-d)

                         

         

      c . 宽边1/4圆喷嘴3r 1/2(D-d)         (带宽边)     d . 宽边1/4圆喷嘴r1/2(D-d)          (带宽边)

                 

      3.  主要技术数据 

      3.1测量范围:

      a. 取压方式:1/4圆孔板一般采用法兰取压和钻孔取压   1/4圆喷嘴采用角接环室取压

      b. 公称通径:25mm≤DN≤150mm

      c. 孔径比:0.2 ≤β≤0.58

      d. 工作温度:350

      e. 公称压力:4.0MPa

      f. 孔板厚度下限值见表1

      公称通径DN

      25

      40

      50

      80

      100

      150

      孔板厚度下限值

      2.5

      2.5

      2.5

      3

      3

      4

                                                                      1

        

       

      3.2 型号表示方法:   BYWQ/R-□□□

        BYW -节流装置;  Q/R-节流元件形式

      Q1/4圆孔板    R1/4圆喷嘴    □□□-公称通径

      3.3 供货范围:11/4圆孔板或1/4圆喷嘴,全套取压法兰、双头螺栓和螺母、顶丝、连接法兰等,

      2套垫片,1套上、下游直管段(按用户要求)。 





    0571-87774297