IP5328P   PD移动电源
IP5328P PD移动电源
产品价格:¥4.3(人民币)
  • 规格:QFN
  • 发货地:广东深圳市
  • 品牌:
  • 最小起订量:1片
  • 免费会员
    会员级别:试用会员
    认证类型:企业认证
    企业证件:通过认证

    商铺名称:深圳市科发鑫电子有限公司

    联系人:魏先生(先生)

    联系手机:

    固定电话:

    企业邮箱:wjs138@szkfx.com

    联系地址:深圳市南山区

    邮编:00000

    联系我时,请说是在快能纺机网上看到的,谢谢!

    商品详情

      概述

      IP5328P 是一款集成 QC2.0 / QC3.0 输出快充协议、 FCP/AFC/SFCP 输入输出快充协议、MTK PE+ 1.1&2.0 输 出快充协议、USB C/PD2.0/PD3.0 输入输出协议、USB C PD3.0 PPS 输出协议、兼容BC1.2/苹果/三星手机、同步升 /降压转换器、锂电池充电管理、电池电量指示等多功能的电 源管理 SOC,为快充移动电源提供完整的电源解决方案。 可同时支持USB A x2USB BUSB C 四个USB 口,单独 使用任何一个 USB 口都可以支持快充,同时使用两个及以 上输出口时,只支持5V

      IP5328P 的高集成度与丰富功能,只需一个电感实现降压与升压功能,在应用时仅需极少的外围器件,有效减小整体方案的尺寸,降低BOM 成本。

      IP5328P 的同步开关升压系统可提供最大18W 输出能力,即使电池电压较低时输出18W仍能保持90%以上的效率。空载时,自动进入休眠状态。

      IP5328P 的同步开关充电系统,提供高达5.0A充电电流。内置IC温度、电池温度和输入电压控制环路,智能调节充电电流。

      IP5328P 内置USB C&PD2.0/PD3.0 协议。

      IP5328P 内置14bit ADC,精确测量电池电压和电流,可通过I2C 访问 ADC 数据。IP5328P 内置电量计算法,可准确获取电池电量信息。可定制电池电量曲线,以精准显示电池电量。

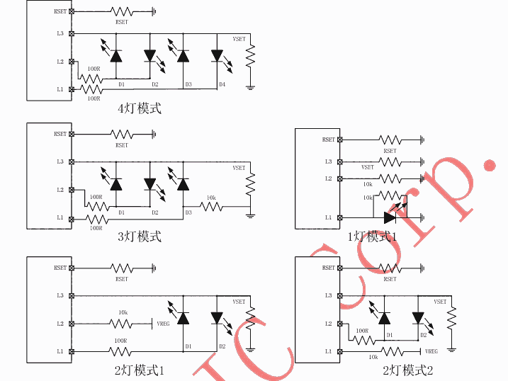
      IP5328P 支持1/2/3/4 LED 电量显示,智能识别电量 显示模式;支持照明功能;支持按键。

      可定制功能:边充边放,PD15V输出,给可穿戴设备充电等功能。

      应用产品:

      1.移动电源、充电宝

      2.手机、平板电脑等便携设备

      特点:

      同时支持多个USB

        2USBA输出

        1USBB输入

        1USBC 输入输出

      快充规格

      任意一个口都支持快充

       集成QC2.0/QC3.0输出快充协议

      QC3.0 高通证书编号:4788056908-2

      集成FCP输入/输出快充协议

      集成AFC输入/输出快充协议

      集成SFCP输入/输出快充协议

      集成MTKPE+ 1.1&2.0 输出快充协议

      集成USBC DRP 协议,支持输入输出快充

      兼容BC1.2、苹果、三星手机快充

      集成 USB Power DeliveryPD2.0/PD3.0)协议 ? 支持PD2.0 双向输入/输出协议

      支持PD3.0输入/输出,PPS 输出协议

      支持5V9V 电压档位输入

      支持5V9V12V 电压档位输出

       PPS 支持5~11V20mV/step 输出电压档位

      集成硬件的双向标记编解码(BMC)协议

      集成物理层协议(PHY

      集成硬件CRC

      支持HardReset

      充电规格

      电池端充电电流最高可达5.0A

      自适应充电电流调节

      支持4.20V4.35V4.40V4.50V 电池

      放电规格

      输出电流能力:

      5V3.1A    9V2.0A    12V1.5A

      同步开关放电5V 2A 效率达95%以上

      支持线补

      电量显示

      内置14bitADC 和电量计

      支持1/ 2 / 3 / 4 LED 电量显示

      智能识别LED电量显示灯数目

      可调整电池电量曲线,显示灯更均匀

      其他功能

       自动检测手机插入和拔出

      快充状态指示

      智能识别负载,轻负载自动进待机

      支持按键

      内置照明灯驱动

      多重保护、高可靠性

      输入过压、欠压保护

      输出过流、过压、短路保护 ? 电池过充、过放、过流保护 ? IC 过温保护

      充放电电池温度NTC 保护

      ESD 4KV,输入(含CC 引脚)耐压25V

      BOM 极简

      内置开关功率MOS

      电感实现充电、放电功能

      深度定制

      I2C 接口,可灵活、低成本定制方案

      封装与IP5328pin to pin 兼容

      封装规格:6 mm × 6 mm 0.5pitch QFN40

       





    0571-87774297