商铺名称:桂林山禾机电有限公司
联系人:王涛(先生)
联系手机:
固定电话:
企业邮箱:13557662230@163.com
联系地址:广西桂林市临桂区金水路3号
邮编:541100
联系我时,请说是在快能纺机网上看到的,谢谢!
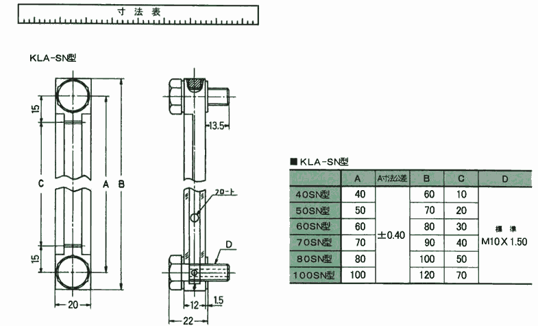
日本協和KYOWA油面计KLA-40SN-A;KLA-50SN-A


特長】
?KLA-SN型は本体に透明ポリアミド樹脂を採用した成形品のオイルゲージです
?KLA-A型(アクリル樹脂製品)と同等の機能を有し、コスト面では安価になっています
?本体の透明度は良く、裏面の白色印刷とフロートの内蔵により、油面が確実に読み取れます
桂林山禾机电有限公司成立于2007年,是一家营销品牌放电加工设备及数控加工中心零部件和易耗品的公司,目前公司为日立电线(HITACHI CABLE)与日本SUNROX中国授权总代理。日本三菱电机(MITSUBISHI ELECTRIC)、日本牧野(MAKINO)、日本沙迪克(SODICK)、韩国YOUGAR与NMC HYPROS国内授权代理商。并同时与发那科(FANUC)和阿奇夏米尔(AGIE CHARMILLES)等设备厂商保持着良好的合作关系。
公司产品均直接从欧洲、日本、新加坡等国进口,价格合理。为了降低客户的备库成本,提高生产效益,我们以齐全的品种和大量的现货库存服务客户,保证能及时满足客户的需求。
多年来,公司始终坚持于工业耗品耗材,提供给客户适合的商品,坚持以人为本的服务理念,秉持着诚信至上的宗旨。