三厘SANKINGPVC气动双作用球阀活接CPVCPPH双动阀门开关
三厘SANKINGPVC气动双作用球阀活接CPVCPPH双动阀门开关
产品价格:¥824.00(人民币)
  • 规格:台湾三厘(联系我们询底价)
  • 发货地:福建厦门
  • 品牌:
  • 最小起订量:1
  • 免费会员
    会员级别:试用会员
    认证类型:企业认证
    企业证件:通过认证

    商铺名称:厦门三厘塑胶管路有限公司

    联系人:吴阳(先生)

    联系手机:

    固定电话:

    企业邮箱:Wy@sanking.cn

    联系地址:厦门市同安区同宏路169号

    邮编:361100

    联系我时,请说是在快能纺机网上看到的,谢谢!

    商品详情
      产品参数
      数量99999个
      是否支持加工定制
      是否进口
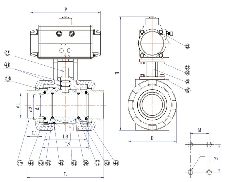
      材质UPVC
      CPVC
      PPH
      PVDF
      功能用途气动阀门
      颜色UPVC(深灰色),CPVC(浅灰色),PPH(米黄色),PVDF(象牙色)
      类型双作用/单作用
      标准ANSI
      DIN
      JIS
      CNS
      支架PPS/304不锈钢
      品牌台湾三厘SANKING











    0571-87774297