LZ金属管转子(浮子)流量计 上海自动化仪表九厂
LZ金属管转子(浮子)流量计 上海自动化仪表九厂
产品价格:¥0(人民币)
  • 规格:
  • 发货地:
  • 品牌:
  • 最小起订量:1只
  • 诚信商家
    会员级别:钻石会员
    认证类型:企业认证
    企业证件:通过认证

    商铺名称:上海自动化仪表有限公司商城

    联系人:费经理(先生)

    联系手机:

    固定电话:

    企业邮箱:shziyigf@163.com

    联系地址:广中西路191号

    邮编:200072

    联系我时,请说是在快能纺机网上看到的,谢谢!

    商品详情


      金属管转子(浮子)流量计简介

      上海自动化仪表九厂LZ系列全金属结构金属管转子(浮子)流量计,是采用可变流通面积式测量原理对介质进行计量的,主要适用于测量液体、气体。根据其使用功能可分为现场指示型、电远传型、耐腐型、高压型、保温夹套型、防爆型,并能输出010 mA420mA的标准电流信号与计算机联网,实现流量数据的远距离显示、记录、调节、积算和控制,被广泛的用于石油、化工、发电、制药、食品、水处理等流体的过程控制和计量。


      主要技术参数

      精度等级:1.5级,2.0级,2.5

      ◆公称压力:PN1.6PN2.5PN4.0PN6.3MPa(≥PN10MPa为特殊订货)

      ◆压力损失:6.5KPa~38.20KPa

      ◆流体温度:-80~400℃(内衬氟塑料为-80~90℃)

      ◆流体粘度:DN155MPa.S   DN20~DN150300MPa.S

      ◆连接方式:法兰连接,标准JB81-59JB82-59(其它非标或国外标准为特殊订货)

      ◆材质:SUS304SUS316L或哈氏合金或内衬氟塑料(特殊材料需指出)

      ◆输出信号:二线制420mA或三线制010 mA标准电流信号

      面板显示:10LCD显示瞬时、累积流量

      调整方式:HALL开关、磁棒操作无需开盖即可调校

      电源:24VDC,25Ma

      电信号温度影响:0.5%/10

      负载电阻:420mA/500Ω 010 Ma/1.2KΩ

      ◆防爆等级:本安型ibIIBT5LB830S或配相同等级的安全栅

      ◆隔爆型:dIIBT5

      ◆防护等级:防尘防滴IP65


      工作原理

      金属管转子(浮子)流量计是浮子在测量管中,随着流量的变化,将浮子向上移动,在某一位置浮子所受的浮力与浮子重力达到平衡。此时浮子与孔板(或锥管)间的流通环隙面积保持一定。环隙面积与浮子的上升高度成正比,即浮子在测量管中上升的位置代表流量的大小,变化浮子的位置由内部磁铁传输到外部的指示器,使指示器正确地指示此时的流量值。


      使用选型

      LZ金属管转子(浮子)流量计使用选型

      1

      2

      3

      4

      5

      6

      7

      8

      9

      10


      1

      公称通径

      15    20    25    40    50

      65    80    100    125    150 (公称通径DN15mm~DN150mm可选)

      2

      流体方向

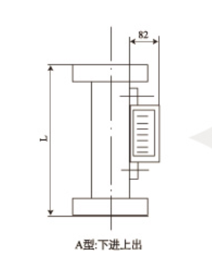
      A:下进上出

      B:下进上横出

      C:左进右出

      D:右进左出

      E:下横进上横出

      3

      浮子材质

      0SUS304不锈钢

      1SUS316L(属特殊订货)

      9:其他材质(用户订购时需指出)

      4

      公称压力

      APN1.6

      BPN2.5

      CPN4.0

      DPN6.3

      E:其它(订购时需确定)

      5

      精度等级

      51.5

      62.0

      72.5

      6

      显示方式

      A:大开面指针式

      B:大开面指针式+液晶(累积)+电远传

      C:侧面型指针式

      D:侧面型指针式+电远传

      7

      阻尼

      0:无

      1:有

      8

      测量范围

      代码详见选型编码B (流量范围代码)

      9

      被测介质

      0:液体

      1:气体

      10

      附加功能

      报警:/K

      选型举例:

      LZ-25A0B6A0D0表示金属管转子流量计,口径DN25mm,流体方向下进上出,浮子材质304,压力PN2.5,精度2.0级,大开面指针式,无阻尼,流量0.3~3m3/h的液体。

      LZ-80C1A5A1B1/K表示金属管转子流量计,口径DN80,流体方向左进右出,浮子材质316L,压力PN1.6,精度1.5级,大开面指针式,有阻尼,流量90~900Nm3/h的气体,带报警。


      选型编码B(流量范围代码)


      安装图片

      A型下进上出型外形及安装尺寸




      磁过滤器



      以上信息有由上海自动化仪表产品大全(www.zdhyibiao.com)为您提供

      如有疑问请致电:400-880-2015 QQ160866632     2481001685




    0571-87774297