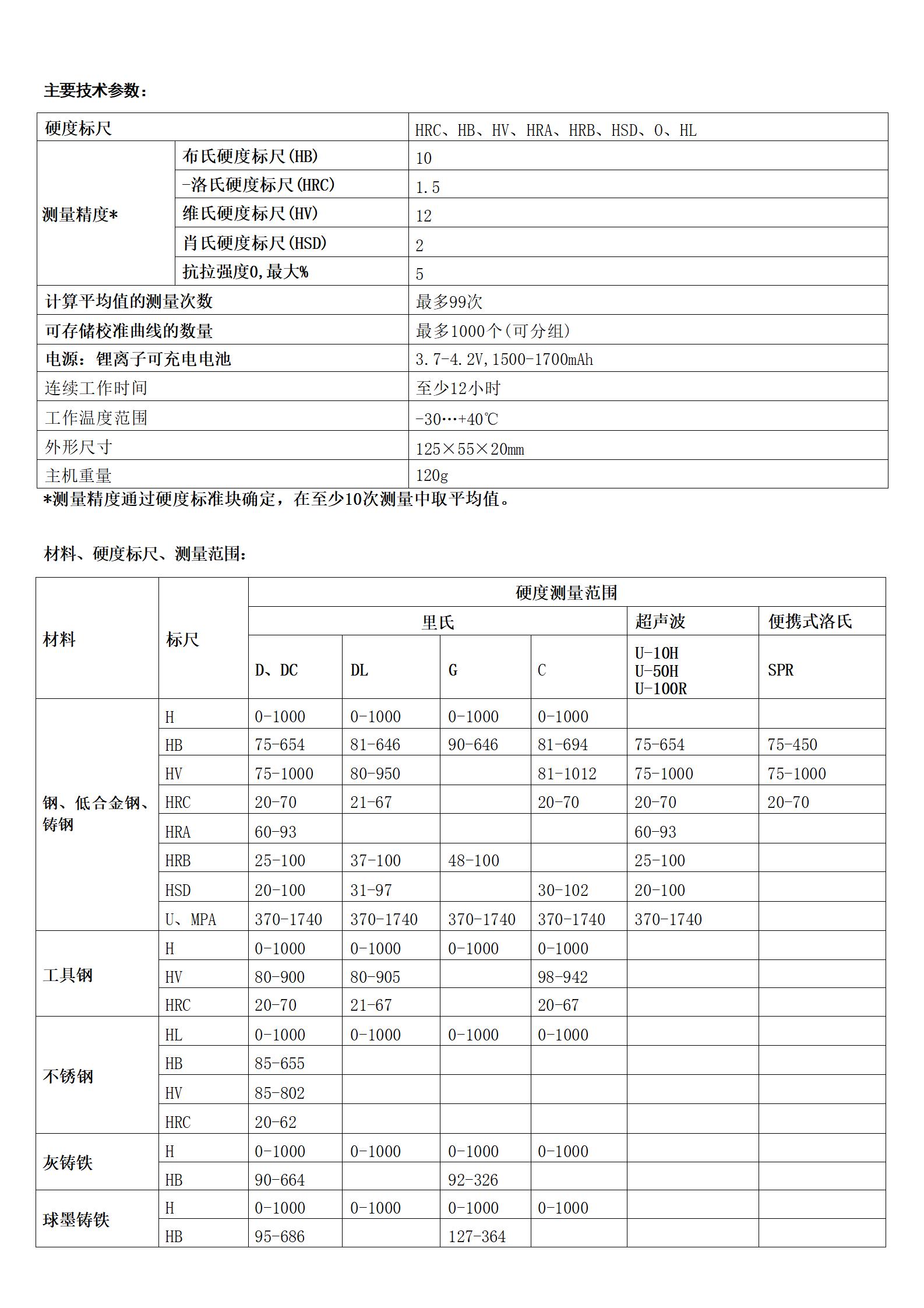
KT-C 原装进口多功能便携式硬度测量仪 超声波硬度计
KT-C 原装进口多功能便携式硬度测量仪 超声波硬度计
产品价格:¥1000(人民币)
  • 规格:KT-C
  • 发货地:重庆九龙坡
  • 品牌:
  • 最小起订量:1台
  • 诚信商家
    会员级别:钻石会员
    认证类型:企业认证
    企业证件:通过认证

    商铺名称:重庆纳格雅科技有限公司

    联系人:张经理(先生)

    联系手机:

    固定电话:

    企业邮箱:1318899894@QQ.com

    联系地址:重庆市九龙坡区白市驿镇赣江机电城18栋

    邮编:

    联系我时,请说是在快能纺机网上看到的,谢谢!

    商品详情
    0571-87774297