LIKA编码器IT65-H-4096ZCP4D\/S506意大利原装进口
LIKA编码器IT65-H-4096ZCP4D\/S506意大利原装进口
产品价格:¥660.00(人民币)
  • 规格:完善
  • 发货地:上海上海
  • 品牌:
  • 最小起订量:1
  • 免费会员
    会员级别:试用会员
    认证类型:企业认证
    企业证件:通过认证

    商铺名称:上海宇廷电工系统化有限公司

    联系人:周平禄(先生)

    联系手机:

    固定电话:

    企业邮箱:18858065753@163.com

    联系地址:嘉定区嘉罗公路1661弄

    邮编:201808

    联系我时,请说是在快能纺机网上看到的,谢谢!

    商品详情
      产品参数
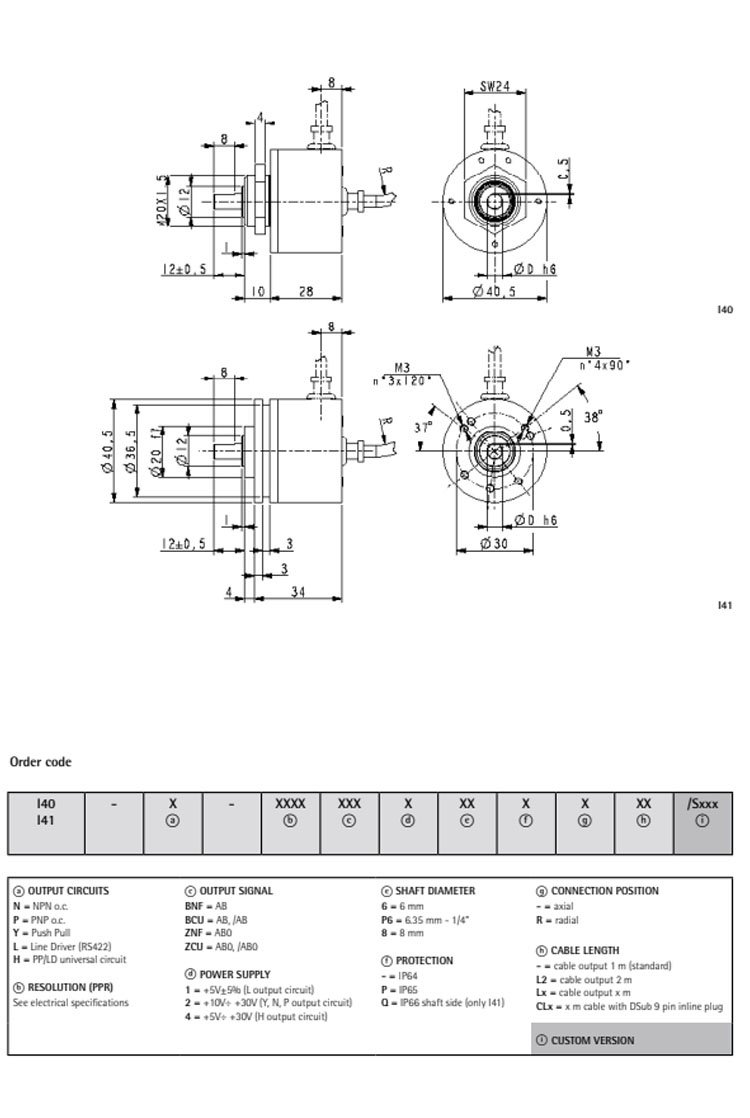
      LIKA编码器IT65-H-4096ZCP4D/S506意大利原装进口 品牌Lika
      分辨率0
      05 / 0
      025 / 0
      01/ 0
      005 mm
      封装盒装
      功率0.035w
      材料金属,塑料,合金
      颜色绿
      电寿命20年
      读出方式通用
      机械寿命20年
      加工定制
      输出信号脉冲
      保护极性反接保护
      产品种类直线编码器
      外壳尼龙6FC30
      接头2.0米电缆线,跟线M12插头
      运行速度typ.0
      5 m/s - max. 1m/s
      系统精度最大±50uM
      重现性±1个信号
      可售卖地北京;天津;河北;山西;内蒙古;辽宁;吉林;黑龙江;上海;江苏;浙江;安徽;福建;江西;山东;河南;湖北;湖南;广东;广西;海南;重庆;四川;贵州;云南;西藏;陕西;甘肃;青海;宁夏;新疆
      用途工业测量
      型号SMIG










    0571-87774297