商铺名称:上海宇廷电工系统化有限公司
联系人:周平禄(先生)
联系手机:
固定电话:
企业邮箱:18858065753@163.com
联系地址:嘉定区嘉罗公路1661弄
邮编:201808
联系我时,请说是在快能纺机网上看到的,谢谢!
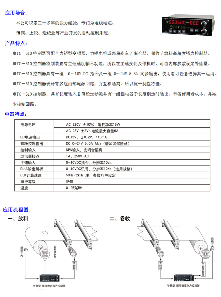
| 产品参数 | |||
|---|---|---|---|
| 电源电压 | AC 220V±10%、消耗功率15W | ||
| DC电源输出 | DC12V、±0.2V、110mA | ||
| 磁粉控制输出 | DC 0-24V 5.0A Max.(请加装保险丝) | ||
| 控制输入 | NPN输入、光耦合隔离 | ||
| 继电器接点 | 1A、 250V AC | ||
| 主速输入特点 | 0-10VDC指令,分辨率10bit | ||
| D/A输出解析 | 0-10VDC讯号,分辨率12bit(选用规格) | ||
| CLK计算速度 | 50Hz/2kHz注:参数12中设定 | ||
| 防护等级 | IP40 | ||
| 混度范围 | 0-95%RH | ||
| 是否24小时在线服务 | 是 | ||
| 服务优势 | 快、准、精 | ||
| 是否为标准件 | 是 | ||
| 是否定制 | 否 | ||
| 品牌 | CH-SYS | ||








