商铺名称:上海宇廷电工系统化有限公司
联系人:周平禄(先生)
联系手机:
固定电话:
企业邮箱:18858065753@163.com
联系地址:嘉定区嘉罗公路1661弄
邮编:201808
联系我时,请说是在快能纺机网上看到的,谢谢!
| 产品参数 | |||
|---|---|---|---|
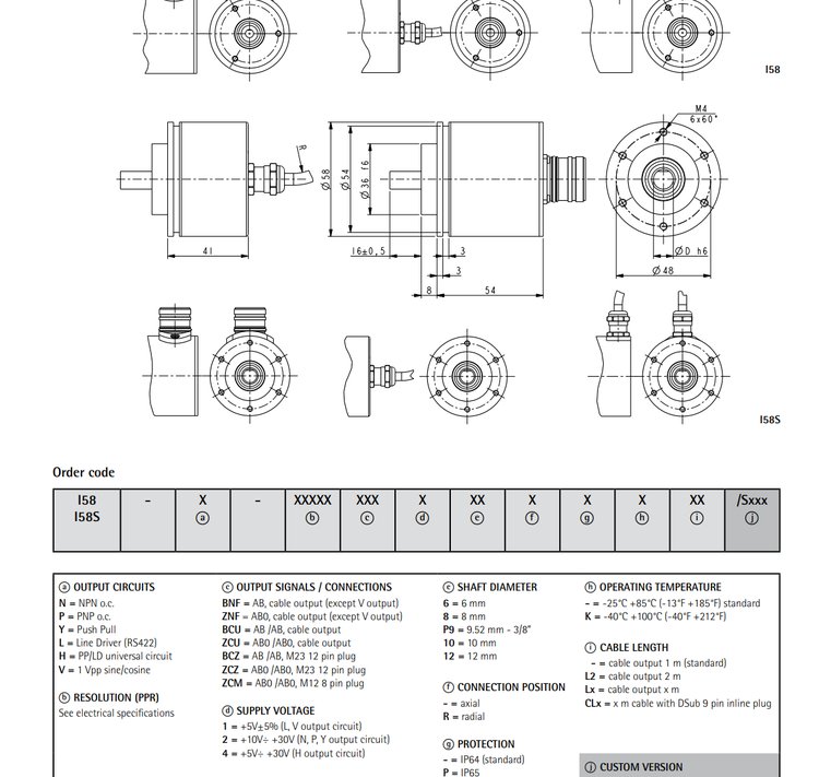
| 意大利LIKA编码器中国区总代理I58-L-2048BCU18RL10/S511 品牌 | Lika | ||
| 分辨率 | 0 | ||
| 05 / 0 | |||
| 025 / 0 | |||
| 01/ 0 | |||
| 005 mm | |||
| 封装 | 盒装 | ||
| 功率 | 0.035w | ||
| 材料 | 金属,塑料,合金 | ||
| 颜色 | 绿 | ||
| 电寿命 | 20年 | ||
| 读出方式 | 通用 | ||
| 机械寿命 | 20年 | ||
| 加工定制 | 是 | ||
| 输出信号 | 脉冲 | ||
| 保护 | 极性反接保护 | ||
| 产品种类 | 直线编码器 | ||
| 外壳 | 尼龙6FC30 | ||
| 接头 | 2.0米电缆线,跟线M12插头 | ||
| 运行速度 | typ.0 | ||
| 5 m/s - max. 1m/s | |||
| 系统精度 | 最大±50uM | ||
| 重现性 | ±1个信号 | ||
| 可售卖地 | 北京;天津;河北;山西;内蒙古;辽宁;吉林;黑龙江;上海;江苏;浙江;安徽;福建;江西;山东;河南;湖北;湖南;广东;广西;海南;重庆;四川;贵州;云南;西藏;陕西;甘肃;青海;宁夏;新疆 | ||
| 用途 | 工业测量 | ||
| 型号 | SMIG | ||
.jpg)



.jpg)
.jpg)
.jpg)
.jpg)
.jpg)
.jpg)
.jpg)
.jpg)