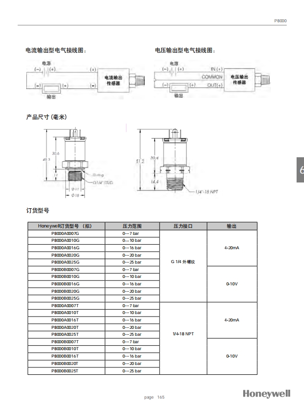
霍尼韦尔P8000系列液体、气体压力传感器
霍尼韦尔P8000系列液体、气体压力传感器
产品价格:(人民币)
  • 规格:P8000B0016G
  • 发货地:山东济南
  • 品牌:
  • 最小起订量:1个
  • 免费会员
    会员级别:试用会员
    认证类型:企业认证
    企业证件:通过认证

    商铺名称:山东斯丹达智能科技有限公司

    联系人:颜丽(小姐)

    联系手机:

    固定电话:

    企业邮箱:410292118@qq.com

    联系地址:环保科技园国际商务中心B座2011室

    邮编:250101

    联系我时,请说是在快能纺机网上看到的,谢谢!

    商品详情

      霍尼韦尔代理商

      山东斯丹达智能科技有限公司

      欢迎您咨询选型报价

      霍尼韦尔P8000系列液体、气体压力传感器

      1.应用领域
      主要用于中央空调水系统和区域供热水系统,以及其他温度,承压和接头材料性能匹配的液体或气体的压力测量。
      2.产品特点
      (1)适用于气体或液体介质

      (2)高精度、热性能佳

      (3)紧凑的外观设计
      (4)误接线保护,短路保护(仅p8000系列)

      (5)全不锈钢接液材料
      (6)1米延长线,接线方便,保证整体的密封等级(仅HSP系系列)
      (7)高温组件保证高温应用(仅HSP-HW系列)

    0571-87774297