商铺名称:石家庄途盟机械有限公司
联系人:宋先生(先生)
联系手机:
固定电话:
企业邮箱:172660827@qq.com
联系地址:石家庄经济技术开发区南延路123号A909厂房
邮编:050032
联系我时,请说是在快能纺机网上看到的,谢谢!


一、使用场景可广泛应用在采暖方面,如供应给地暖、暖气片、风机散热器、水温空调热水来散热用于采暖;可广泛应用在各种场景下的生活热水使用方案,如洗手、洗浴、洗菜等生活热水。
二、优化投入功率调节采用全预混燃烧技术,表面预混燃烧,形成短簇火焰,燃气阀组与风机的预混系统可根据热负荷需求的变化自主调整投入功率范围15-100,氮氧化物排放低于30毫克。
三、优化的硅镁铝铸铝片,结构更好,组合而成后烟气与水分流换热,吸热换热接触面积增大,自带冷凝效果,烟气排放温度50度左右,减少烟气热量损失。
四、自动化控制系统,用户可根据实际情况自主选择不同的采暖热水温度,并且具有连续工作与定时工作模式。五、故障自诊断功能,当电控检测到出现故障时自动锁定,显示故障原因,方便快速排除故障现象。

注:
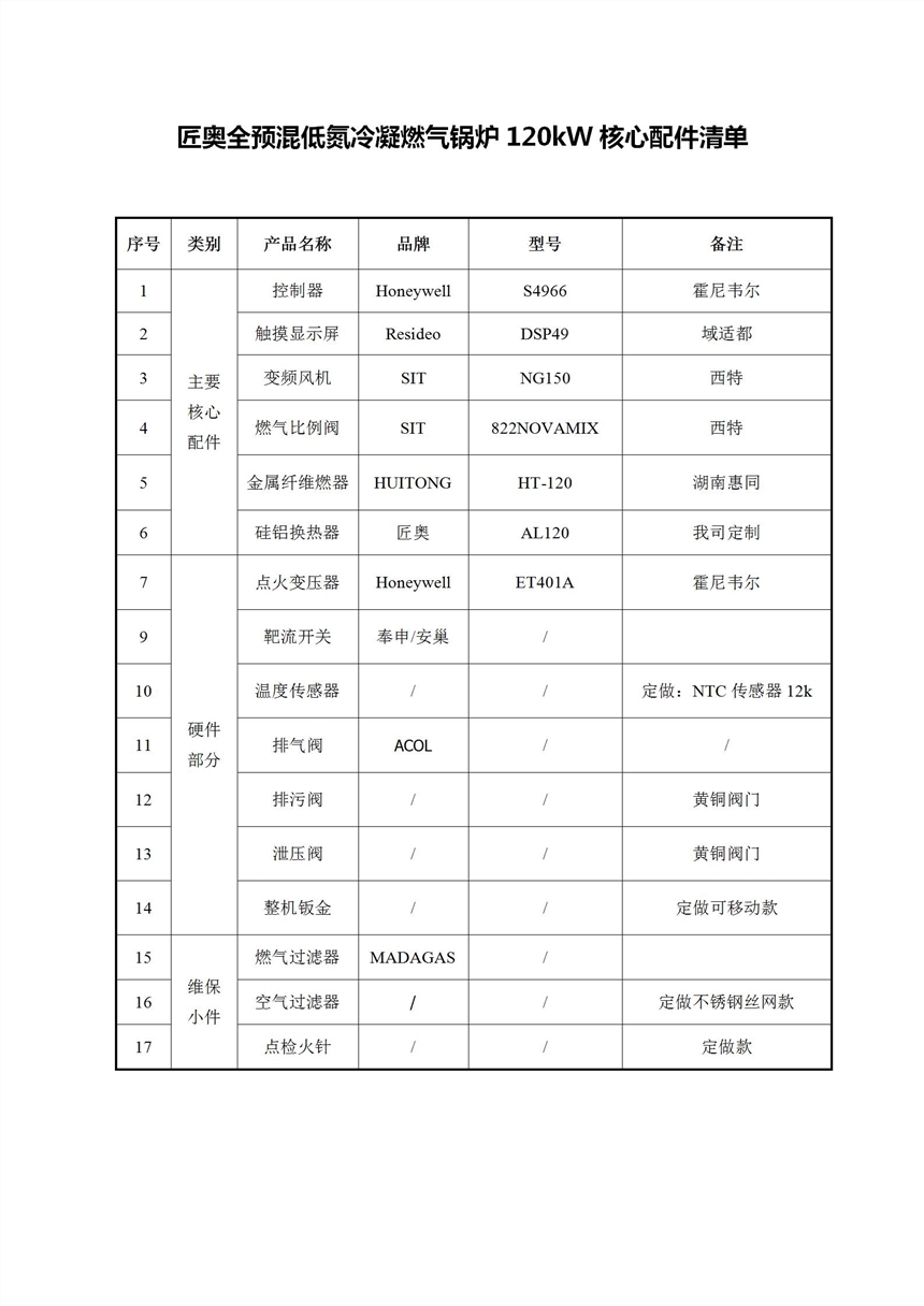
1、因市场和技术的不断更新,文中所列配件品牌可能与实际有出入,请以实际为准,如需要确切当前实时的部件品牌,定货前请与工作人员沟通。
2、因部件与市场的变化,可能设备性能参数会有出入,请以实际为准。如需确切的当前实时设备性能参数,定货前请与工作人员沟通。