商铺名称:石家庄途盟机械有限公司
联系人:宋先生(先生)
联系手机:
固定电话:
企业邮箱:172660827@qq.com
联系地址:石家庄经济技术开发区南延路123号A909厂房
邮编:050032
联系我时,请说是在快能纺机网上看到的,谢谢!
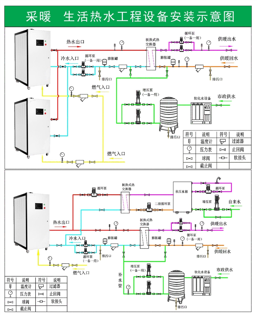
匠奥燃气冷凝模块炉(热水机组)
1、采用模块化设计,一个模块50KW,200KW由4个模块组合而成,每个模块可单独工作每个模块互为备用,一个模块故障不影响其他模块工作;并且具有扩展能力,总控器可以控制24个分控器,即可以实现50KW-1200KW的扩充能力;(扩充模块需另行计算成本);
2、温度调节范围30-80度调节,温差调节范围5-30度调节,定时功能,液晶显示屏动态显示机器运行状态;可查询各个模块的工作情况;
3、具有缺水保护、过热保护、超温保护、漏电保护、意外熄火保护、排烟不畅通保护等,故障自诊断,显示故障代码,方便快速检修恢复正常运行;




