DZW多回转普通防爆型阀门电动装置开关型调节型
DZW多回转普通防爆型阀门电动装置开关型调节型
产品价格:¥2100.00(人民币)
  • 规格:白色
  • 发货地:江苏扬州
  • 品牌:
  • 最小起订量:1
  • 免费会员
    会员级别:试用会员
    认证类型:企业认证
    企业证件:通过认证

    商铺名称:江苏贝尔阀门控制有限公司

    联系人:江苏贝尔阀门(小姐)

    联系手机:

    固定电话:

    企业邮箱:2242552109@qq.com

    联系地址:扬州市邗江区创业园中路9号

    邮编:

    联系我时,请说是在快能纺机网上看到的,谢谢!

    商品详情
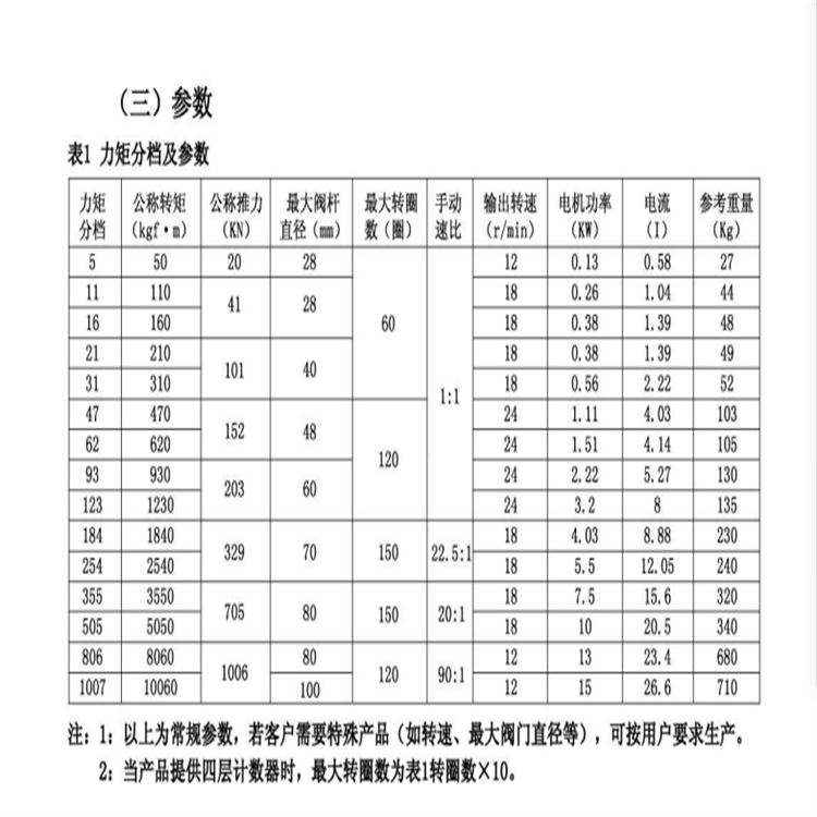
      产品参数
      公称直径150cm
      数量333个
      是否支持加工定制
      是否进口
      包装规格可定制
      材质硬质合金
      产地江苏扬州
      功能用途石油化工
      类别电动执行器
      适用范围用于煤矿非采掘工作面 工厂 环境爆炸性气体混合物
      型号DZW
      颜色白色
      连接方式法兰连接
      装箱方式木箱
      品牌江苏贝尔











    0571-87774297