莱克斯诺Rexnord-福克FalkV215弹性体联轴器高质量当天发货
莱克斯诺Rexnord-福克FalkV215弹性体联轴器高质量当天发货
产品价格:¥2790.00(人民币)
  • 规格:完善
  • 发货地:广东省佛山市南海区
  • 品牌:
  • 最小起订量:1
  • 免费会员
    会员级别:试用会员
    认证类型:企业认证
    企业证件:通过认证

    商铺名称:佛山市富捷机电设备有限公司

    联系人:廖小玲(小姐)

    联系手机:

    固定电话:

    企业邮箱:lxl@fujiechina.cn

    联系地址:佛山市禅城区绿景二路保利天玺二座二栋2902-2903

    邮编:528000

    联系我时,请说是在快能纺机网上看到的,谢谢!

    商品详情
      产品参数
      品牌莱克斯诺Rexnord福克Falk
      是否进口
      标准编号7392666
      联轴器类型弹性联轴器
      公称转矩662
      轴孔80
      外形尺寸134x213
      许用转速4300
      孔径80
      重量9600
      允许扭矩662
      长度134
      外径213
      可售卖地全国
      型号V215

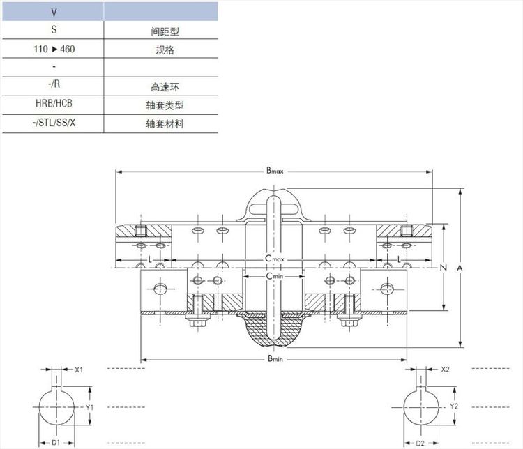
      莱克斯诺弹性体联轴器 Viva??Viva基本型联轴器 V215







      A.两片式弹性体设计便于更换,替换时无需移动轴套或联轴器两端的设备。

      B.坚固的聚亚安酯弹性体与耐腐蚀的钢片联结, 无需多余的机械夹紧部件。

      C.带涂层的高强度碳素钢钢片, 耐腐蚀。

      D.易于对中,可正反安装的轴套可容纳多种轴间隙, 轴套可提供不开孔、订制孔或者加衬套, 轴套的材料可自选。

      E.高强度自锁螺钉,可选用不锈钢螺钉。

      F.挠性传递扭矩的聚亚安酯弹性体可缓冲载荷, 容许一定的对中偏差, 能适用于大多数环境。

      G.“V”型槽设计可以避免联接部分的应力集中, 提供了一个均匀的失效区域, 起到过载保护的作用。

      ?

      ? ? 莱克斯诺Viva? 是基于莱克斯诺Omega? 设计的,是Omega? 的改良型。它能传递更大的扭矩而尺寸比较小,且能容纳更大的孔径。虽然Viva? 和Omega? 结构类似但是它们的零件不能互换。

      ? ? 莱克斯诺Viva? 无需润滑, 挠性传递扭矩, 无易损件。弹性体对联轴器的角向, 轴向和径向偏差有很好的补偿作用。联轴器只有四个部件, 两片带螺栓的弹性体和两个轴套。所有部件都可在安装时进行调整, 能满足ISO, DIN 及ANSI 的轴端间距要求, 最高可达300mm, 无需额外零件。

      ?

      弹性体

      ? ?独特的两片中分式柔性弹性体设计可以在更换时无需移动轴套或联接的设备。半个弹性体由一个聚亚安酯弹性块以化学方法与两片成型钢片相连。通过弹性体传递剪切力矩。专利设计的弹性体端部的凹槽可以减小应力, 防止应力集中。聚亚安酯弹性体抗疲劳, 能适应一般工作环境及工业化学环境。虽然弹性体并不是用来作为一个扭矩限制装置, 但是一旦设备发生卡死或严重超载时弹性体可以像保险丝一样断开联接设备。钢片上涂有防氧化和抗化学腐蚀的涂层, 并不是一般的着色处理。两片弹性体的重量是完全相同以确保平衡,符合ISO G16 和AGMA 8 级平衡等级标准。

      ?

      改良

      ? ?聚亚安酯弹性体的“V”型槽设计可以在过载时引导应力在中心形成一条均匀的破裂线。增加了小规格联轴器的钢片长度,不必为了满足所需的轴端间距而选用大规格的联轴器。弹性体横断面设计是通过有限元分析得出的, 可以大大减少在运行时对联接设备产生的应力。新式VSX 设计可满足较大的轴端间距( 达300mm), 还是基于四个组成部件的设计; 两片轴向剖分的弹性体和两个轴套, 无需特殊的轴套或套筒。

      ?

      螺钉

      ? ?带自锁的公制螺钉材料为标准钢( 可选不锈钢),符合精密制造要求,为弹性体的标配。螺钉径向拧紧,易于装配,可以避免安装误差。螺钉在轴套外表面和钢片内表面间产生夹紧力固定这两部份。

      ?

      改良

      ? ?更大和更多的螺钉使联接更牢固。

      ?

      轴套

      ? ?轴套材料为标准钢,也可选用不锈钢或表面经过特别防腐处理的轴套。对于任一规格的联轴器V,VS和VSX型轴套是可以互换的。

      ?

      改良

      ? ?采用无台阶的圆柱形结构,使得较小尺寸的轴套能容纳更大的开孔尺寸。两排径向螺纹孔用以调节多种间距要求。

      ?

      高速环

      ? ?冷轧钢制圆环作为VS型的可选增强元件。

      ?

      改良

      ? ?并非所有VS型联轴器都须配高速环。

      ?

      ?



      ? ?莱克斯诺Viva?间距型联轴器,规格125,带螺钉、高速环,标准轴套定制孔径?28mm公差H7和?30mm公差H7,ISO R773标准键槽。Magic-Lock?为锥套生产商的注册商标,可与Taper-Lock?锥套互换。Taper-Lock?为Reliance Electric公司注册商标。

      ?





      ?

      使用者须自备安全防护罩,并正确安装所有的设备。如需要,可提供尺寸图。

      ?注:除非订购时特别说明,联轴器交货时是不开孔的。

      ?(1) 转速高于最高转速时请咨询莱克斯诺公司

      ?(2) 键槽满足ISO R773标准时的最大孔径

      ?(3)孔径为最大时

      ?





      选型程序

      ?

      ?

      1. 选择联轴器型号

      ?? ? 选型是基于联轴器的应用场合及运行条件的,第13和14页的图表可帮助选型。(注:只有配合良好的联轴器才能使用在提升设备上)

      ??

      ?2. 计算驱动设备的名义扭矩


      3. 工况系数SF

      见系数表格,如果遇到以下情况时需加工况系数修正值:

      1).驱动设备为内燃机,扭矩波动幅度在20以上。

      2).工作转速接近临界转速。

      3).环境温度超过60?1?77?1?71C。

      4).每小时启动次数超过10次。

      ?

      4. 计算等效扭矩Teq(Nm)


      Ta=驱动设备扭矩(Nm)

      SF=工况系数

      St=温度系数

      ?


      *相对湿度<50

      ? 相对湿度>50

      ?

      ? ? 一般而言,Viva?在高温条件下的工况系数调整值不包括与传

    0571-87774297