代理销售FAWICK旋转接头ODF-1\/4友皓工业自动化
代理销售FAWICK旋转接头ODF-1\/4友皓工业自动化
产品价格:¥12000.00(人民币)
  • 规格:
  • 发货地:江苏苏州
  • 品牌:
  • 最小起订量:1
  • 免费会员
    会员级别:试用会员
    认证类型:企业认证
    企业证件:通过认证

    商铺名称:苏州友皓工业自动化有限公司

    联系人:杨铮()

    联系手机:

    固定电话:

    企业邮箱:

    联系地址:苏州市吴中区木渎镇中山东路111号1幢3A17室

    邮编:

    联系我时,请说是在快能纺机网上看到的,谢谢!

    商品详情
      产品参数
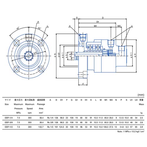
      代理销售 FAWICK 旋转接头 ODF-1/4 友皓工业自动化 型号ODF-1/4
      最大压力7.0MPa
      最大转数300rpm
      通路面积38.4mm2
      A尺寸1/4
      D尺寸126
      D1尺寸98.0
      F尺寸23
      G尺寸108
      重量2.5kg
      品牌FAWICK

      油压用2通路口旋转接头
      油压用2通路旋转接头是通过轴端部2个独立通路供给流体的。各通路如1方通路是轴承给油用,另1通路是安装于回转轴的执行机构用的话,以各自不同目的进行使用。也作为油循环系统使用。






    0571-87774297