NADELLA 滚轮导轨GU系列
NADELLA 滚轮导轨GU系列
产品价格:¥100(人民币)
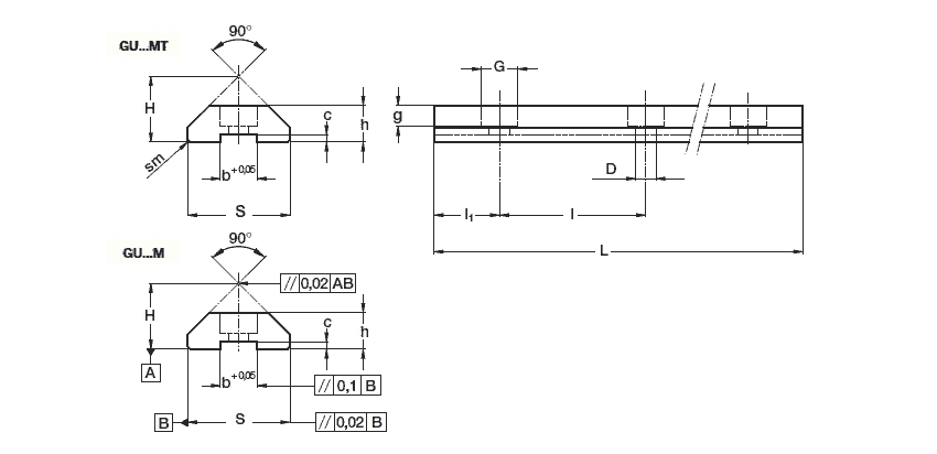
  • 规格:GU28MT,GU35MT,GU50MT
  • 发货地:上海
  • 品牌:
  • 最小起订量:1根
  • 免费会员
    会员级别:试用会员
    认证类型:企业认证
    企业证件:通过认证

    商铺名称:亿登(上海)自动化技术有限公司

    联系人:刘涛(先生)

    联系手机:

    固定电话:

    企业邮箱:13918267864@163.com

    联系地址:虹口区飞虹路360号

    邮编:200086

    联系我时,请说是在快能纺机网上看到的,谢谢!

    商品详情

      GU系列导轨


      GU28MT,GU35MTGU50MT

      GP2626MC,GP3232MC,GP3617MC,GP4321MC,GP5050MC,GP6222MC,GP7232MC,GP8222MC.

      Rolbloc系列导轨

      MBL滑块

      MBL335-1  MBLR335-1

      MBL335-2  MBLR335-2

      BL滑块

      BL2 52

      BL4 52

      BL2 75

      BL4 75

      BL2 115

      BL4 115




    0571-87774297